relay,¸±·¹ÀÌ

¡á Á¦Ç°¸í : MY-type 2±Ø ¸±·¹ÀÌ (MINIATURE RELAY)

 

¢ºÁ¦Ç°¼³¸í

   *.º» Á¦Ç°Àº 2±ØÇü ÈùÁöÇüÀüÀÚ°èÀü±â(MINIATURE RELAY)

      ·Î  KS ¹× UL½ÂÀÎ(ã¯ìã) Á¦Ç°ÀÔ´Ï´Ù.

   *.Á¢Á¡±¸¼ºÀº 2±ØÇü(2C,8Pin)À̰í, ·¥ÇÁ(LED)Çü ¹× ¹«·¥ÇÁ

      (ÀϹÝÇü)À¸·Î °ø±ÞµË´Ï´Ù.

 

¢ºÁ¦Ç°Á¤°Ý ¹× ¼º´É

   *.Á¢ÃËÀúÇ×:50m§ÙÀÌÇÏ(ÃʱâÄ¡)

   *.µ¿À۽ð£ ¹× º¹±Í½Ã°£:20m SECÀÌÇÏ

   *.Àý¿¬ÀúÇ×:100M§ÙÀÌ»ó(DC500V Àý¿¬ÀúÇ×°è)

   *.³»Àü¾Ð:ÃæÀüºÎ¿Í ºñÃæÀüºÎ°£(1,500VAC 1ºÐ°£)

                Á¢Á¡È¸·Î¿Í Á¶ÀÛÄÚÀϰ£(1,000VAC 1ºÐ°£)

                Á¢Á¡È¸·Î°£(1,000VAC 1ºÐ°£,a-bÁ¢Á¡°£Àº700V)

   *.°³Æóºóµµ:1,800ȸ / ½Ã°£

   *.»ç¿ëÁÖÀ§¿Âµµ:-5°C ¡­ +40°C

   *.¼ö¸í:Àü±âÀû(50¸¸È¸ÀÌ»ó,AC110V 5A) ±â°èÀû(5,000¸¸È¸)

 

¢ºÁ¢Á¡Á¤°Ý

±¸ºÐ

ÀúÇ׺ÎÇÏ

COSØ=1

À¯µµºÎÇÏ

COSØ=0.3

L/R=ms

Á¤°ÝºÎÇÏ

110VAC,5A

220VAC,5A

24VAC,5A

110VAC,2A

220VAC,2A

24VDC,2A

Á¤°ÝÅëÀüÀü·ù

5A

Á¢Á¡Àü·ÂÀÇÃÖ´ëÄ¡

AC:1100VA

DC:120W

AC:440VA

DC:48W

Á¢Á¡Àü·ùÀÇÃÖ´ëÄ¡

5A

 

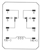
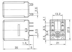
¢º Á¦Ç°Ä¡¼öµµ ¹× °á¼±µµ

¿ÜÇüÄ¡¼öµµ

³»ºÎ°á¼±µµ

 

¢º MY-type 2±Ø Relay °¡°Ý(VATº°µµ)

±¸ºÐ

Á¤°ÝÀü¾Ð

´Ü°¡(¿ø/°³)

ºñ°í

ÀϹÝÇü(¹«·¥ÇÁ)

AC110,220V DC12,24V

 

 

AC12,24V  DC48,110V

 

·¥ÇÁÇü(LEDÇü)

AC110,220V DC12,24V

 

AC12,24V  DC48,110V

 

 

 

 

¸±·¹ÀÌ ¸ñ·Ï Àüüº¸±â

 

bar_s_4.gif

Copyright (c)2000 by Boyoung Electrics . All right reserved
E-mail:bye21@bye21.co.kr

º¸¿µÀü±â ȨÆäÀÌÁö ¹Ù·Î°¡±â ¢Ñ  http://www.bye21.co.kr

(ÁÖ)º¸¿µÀü±âÆÇ¸Å:(02) 2266-6650   FAX.(02) 2266-7918

¼­¿ï½Ã Áß±¸ »ê¸²µ¿ 250